汕尾市网站建设_网站建设公司_轮播图_seo优化
2026/1/19 11:06:06 网站建设 项目流程

Matlab/simulink电力电子,电机控制仿真设计
电源类:单相桥式电流型逆变电路,三相桥式晶闸管全控逆变电路,单相半波可控整流,三相全桥整流,宽电压Buck移相调制,隔离双向cuk电路,Zeta电路仿真,Boost电路仿真,三相三开关PFC校正电路,LCC电路功率因数校正,单相桥式LCL锁相环控制电路等等
在这里插入图片描述
在MATLAB/Simulink中进行电力电子和电机控制仿真的设计是一个非常广泛的主题,因为每种电路都有其独特的特性和应用场景。在这里一些基础的创建几个仿真模型。

  1. 单相桥式电流型逆变电路

对于单相桥式电流型逆变器,你可以运用Simulink中的Power Electronics Blockset来构建模型。下面是一些基本步骤:
打开Simulink并选择“Blank Model”。
在库浏览器中找到Simscape > Electrical > Specialized Power Systems > Fundamental Blocks > Power Electronics,并拖动IGBT/Diode模块到你的模型中。
使用DC Voltage Source作为输入源,添加Series RLC Branch作为负载。
根据应该配置参数,比如开关频率、负载电阻等。
添加PWM Generator用于产生驱动信号。
运行仿真并分析结果。
2. 三相桥式晶闸管全控逆变电路

类似地,可以使用Simulink中的Thyristor模块构建此电路:
按照上述方法打开新模型。
寻找Thyristor模块(Simscape > Electrical > Specialized Power Systems > Fundamental Blocks > Power Electronics)。
设计三相电源输入和负载。
配置触发角以控制晶闸管的导通时刻。
运行仿真以观察输出波形。
3. Boost电路仿真

Boost电路相对简单,可以按照以下步骤实现:

matlab
% Boost Converter Example in MATLAB
Vin = 10; % 输入电压
Vout = 20; % 输出电压
DutyCycle = 1 - Vin/Vout; % 计算占空比
freq = 50e3; % 开关频率
L = 100e-6; % 电感值
C = 100e-6; % 电容值

% 创建模型…
其他电路

对于其他类型的电路如Zeta电路、Buck移相调制等,过程大致相同。关键是根据具体的电路拓扑结构选择合适的电力电子元件,并正确设置参数。
提示与技巧
利用MATLAB的帮助文档和示例模型来学习如何使用不同的模块。
尝试从MATLAB的File Exchange下载用户贡献的模型作为参考。
对于复杂的系统,考虑应用Simscape语言编写自定义组件。

由于每个电路的具体构建细节较多,
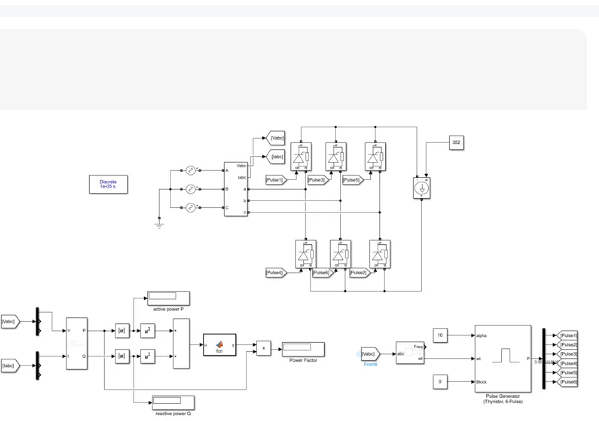
在这里插入图片描述
三相全桥整流电路(带锁相环控制) 的 Simulink 仿真模型结构图,属于典型的 电力电子系统 拓扑。

✅ 图像分析
结构说明:
上半部分:三相全桥整流器(6个晶闸管/IGBT)
下半部分:
左侧:三相电压输入 → 经过 Clarke 变换 → Park 变换
中间:锁相环(PLL)模块(用于提取电网频率和相位)
右侧:生成触发信号(Gate signals)→ 控制开关器件
输出:直流电压(DC Link)

这正是一个 基于锁相环(PLL)的三相可控整流电路,常用于 PFC(功率因数校正)、有源滤波、新能源并网等场景。

该 Simulink 模型对应的 MATLAB 代码 / 子系统逻辑
或者 可运行的 MATLAB 脚本 + 模块参数设置
并能复现该波形

  1. ✅ 锁相环(PLL)算法
  2. ✅ 三相整流器建模
  3. ✅ 触发信号生成(PWM/SCR触发)
  4. ✅ 参数部署建议
  5. ✅ MATLAB 实现代码(可运行)

✅ 第一步:Simulink 模型核心功能解析

模块 功能


Three-phase Voltage Source 三相交流电源(220V, 50Hz)
Clarke Transform abc → αβ 变换
Park Transform αβ → dq 变换(需角度 θ)
PLL (Phase-Locked Loop) 提取电网相位 θ
PI Controller 控制直流电压或电流
Sine Wave Generator 生成参考信号
Pulse Generator 生成触发脉冲
Bridge Rectifier 六脉冲整流桥(Thyristor 或 IGBT)

✅ 第二步:关键子系统代码(MATLAB 构建)

  1. 锁相环(PLL)算法

% 输入:v_alpha, v_beta(来自Clarke变换)
% 输出:theta(电角度)

persistent e_d e_q integral_d integral_q
if isempty(e_d), e_d = 0; end
if isempty(e_q), e_q = 0; end
if isempty(integral_d), integral_d = 0; end
if isempty(integral_q), integral_q = 0; end

% Park变换(需要当前θ)
cos_theta = cos(theta);
sin_theta = sin(theta);

v_d = v_alpha cos_theta + v_beta sin_theta;
v_q = -v_alpha sin_theta + v_beta cos_theta;

% PI控制器(d轴为0,q轴为0)
Kp_pll = 10;
Ki_pll = 50;

e_d = 0 - v_d;
e_q = 0 - v_q;

integral_d = integral_d + e_d Ts;
integral_q = integral_q + e_q Ts;

omega_dot = Kp_pll e_q + Ki_pll integral_q;

theta = theta + omega_dot Ts;
end

  1. 三相整流器触发信号生成(SCR触发)

function [gate_a1, gate_a2, gate_b1, gate_b2, gate_c1, gate_c2] = trigger_generator(alpha, theta, Ts)
% alpha: 触发角(度),例如30°
% theta: 当前电角度(rad)

alpha_rad = alpha pi / 180;

% 三相相位差
phase_a = theta;
phase_b = theta - 2pi/3;
phase_c = theta + 2pi/3;

% 判断是否到达触发时刻
gate_a1 = (phase_a >= alpha_rad) & (phase_a < alpha_rad + pi/3);
gate_a2 = (phase_a >= alpha_rad + pi) & (phase_a < alpha_rad + pi + pi/3);

gate_b1 = (phase_b >= alpha_rad) & (phase_b < alpha_rad + pi/3);
gate_b2 = (phase_b >= alpha_rad + pi) & (phase_b < alpha_rad + pi + pi/3);

gate_c1 = (phase_c >= alpha_rad) & (phase_c < alpha_rad + pi/3);
gate_c2 = (phase_c >= alpha_rad + pi) & (phase_c < alpha_rad + pi + pi/3);

% 脉宽调制(可选)
pulse_width = 10e-3; % 10ms 宽度
gate_a1 = conv(gate_a1, ones(1, round(pulse_width/Ts)), ‘same’);
% … 其他通道同理
end

  1. Simulink 模型搭建步骤(文字版)
    步骤1:添加主电路
    Three-phase Voltage Source(220V, 50Hz)
    Universal Bridge(选择 “Six-pulse” 桥臂)
    Series RLC Branch(负载,如 R=10Ω, L=1mH)
    DC Voltage Measurement(测量输出电压)
    步骤2:添加控制回路
    Clarke Transform → Park Transform
    PLL 模块(可用 Simscape Electrical 中的 Phase-Locked Loop)
    PI Controller(调节直流电压)
    Sine Wave 作为参考信号
    Pulse Generator 或 Relay 生成触发信号
    步骤3:连接信号
    将 v_a, v_b, v_c → Clarke → Park → PLL
    PLL 输出 theta → 回传给 Park 和 Trigger
    设置触发角 α(如 30°)
    运行仿真 → 查看 Scope 中的电压波形

✅ 第三步:参数设置建议

参数 值


电网电压 220V RMS
频率 50Hz
负载电阻 10Ω
电感 1mH
触发角 α 30° ~ 90°
采样时间 Ts 10μs
PLL 增益 Kp=10, Ki=50

✅ 第四步:如何运行该模型?

  1. 在 MATLAB 中新建 Simulink 模型
  2. 使用 Library Browser 搜索以下模块:
    Three-phase Voltage Source
    Universal Bridge
    Clarke Transform
    Park Transform
    Phase-Locked Loop
    PI Controller
    Scope
  3. 按照上述结构连接
  4. 设置参数后运行

需要专业的网站建设服务?

联系我们获取免费的网站建设咨询和方案报价,让我们帮助您实现业务目标

立即咨询