SSS1629,SSS1700都可以应用于USB转IIS IN/OUT设计方案,但两者也有差异,首先两者分辨率不同:SSS1629最高16BIT48KHZ采样率,SSS1700最高24bit192k采样率,其次在信噪比上SSS1700比SSS1629更高。两者封装都有LQFP48(7*7mm),而SSS1700有QFN36小封装的,用于手机端或者对板框小的方案。
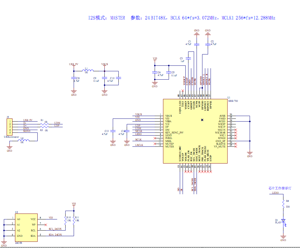
SSS1700USB转IIS IN/OUT设计电路图:

SSS1629USB转IIS IN/OUT设计电路图:

SSS1629和SSS1700C1两者也有共同点,功能特点:
1.可以自动调节增益
3.LED灯效功能
4.五频段均衡器
5.支持虚拟7.1音效