随着新能源汽车的普及和充电标准的更新,新能源汽车和充电桩的充电能力和兼容性得也在不断提升。2015年发布的国标直流充电协议-GB/T 27930-2015《电动汽车非车载传导式充电机与电池管理系统之间的通信协议》,如今已升级为GBT 27930.2-2024 《非车载传导式充电机与电动汽车之间的数字通信协议 第2部分 用于GBT20234.3的通信协议》,简称2015+充电协议。北汇信息根据2015+充电协议,基于CANoe开发了一套充电桩仿真测试工程,主要用于新能源汽车充电相关测试。本文将向大家介绍此工程的功能及操作指导。
一、工程界面与功能预览
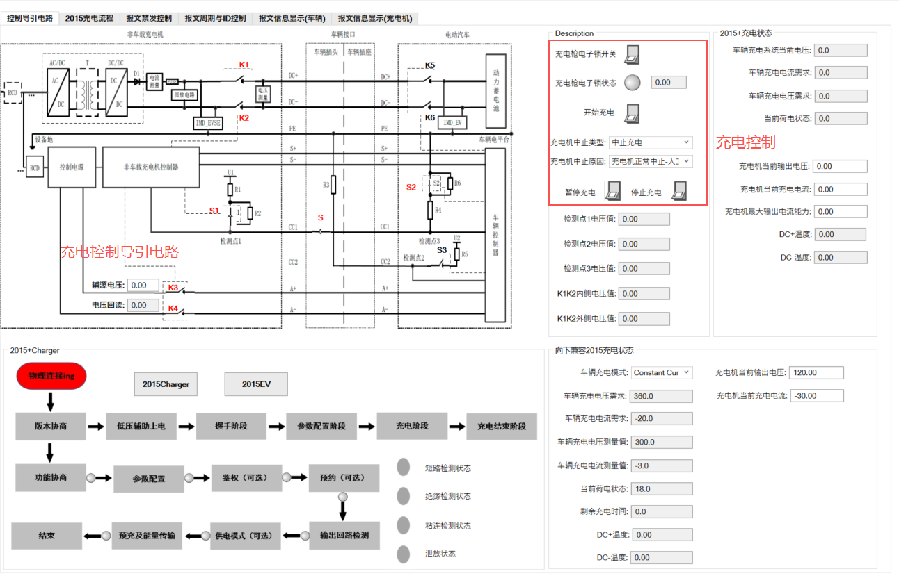
图1为本工程主要的控制及显示面板。面板的左上部分是 2015+ 充电控制导引电路,用户可以通过直接观察这些开关的状态,对控制导引电路进行分析。
右侧是充电控制部分。用户可以通过按下开始充电开关,开启2015+ 充电流程,开始发送充电机版本协商报文。充电流程开启后,用户可以通过选项选择本次停止充电的原因,然后按下停止充电按钮,让充电进入结束阶段。
当进入预充及能量传输阶段后,用户还可以通过按下暂停充电开关进行充电暂停。用户还可以通过电子锁开关来手动调节电子锁的状态。

图1-控制导引电路&充电控制
二、实时数据显示与监控
图2实时展示充电过程中的关键参数,例如:检测点电压、K1、K2 内外侧电压、车辆充电电压/电流需求、车辆当前SOC、充电桩当前输出电压/电流等。

图2-充电参数实时显示
三、充电流程预览及向下兼容充电
图3左下方显示了 2015+ 充电流程简化部分,用户可以通过此流程图观察当前流程处在哪个阶段,包括 2015+充电流程和向下兼容充电流程。右下方显示 向下兼容进行2015充电时的充电参数,例如:车辆充电模式、车辆充电电压/电流需求、车辆充电电压/电流测量值、充电机当前输出电压/电流值等。

图3-2015+充电流程&兼容2015充电参数
四、充电通信报文控制
为了满足测试需求,CANoe仿真工程还支持通过Panel面板进行报文停发和报文周期与ID的修改。

图4-报文停发控制

图5-报文周期与ID控制
五、实操演示
CANoe工程中还包含车辆的仿真,可实现充电流程的数据交互,能够帮助客户更好地理解2015+完整充电过程。运行CANoe工程后,点击开始充电,会自动进入充电流程。如图6,进入 2015+ 流程后,充电机会根据车辆选择的 FC 和 FDC 进行充电,指示灯也会在进入对应阶段时亮起。

图6-2015+充电流程预览
当充电处于预充及能量传输阶段时,可以在 Trace 窗口中看到当前车辆选择的充电模式为恒压模式,车辆充电电流需求为 77A,电压需求为 377V。

图7-Trace窗口车辆充电信息
除此之外,也能够查看车辆充电其他信息,如车辆当前的SOC为20%。也可以通过此窗口观察到充电机的相关参数,如充电机当前输出电压377V,输出电流为 77A,最大输出电流能力为 1000A。

图8-Trace窗口充电机充电信息
当按下停止充电按钮,充电结束。在 Trace 窗口中可以查看结束阶段的相关报文,可以看到车辆的粘连检测状态以及统计报文,也可以看到当前请求的充电机终止原因。

图9-Trace窗口充电结束阶段
六、2015+测试用例包
北汇信息还基于 《GBT 34658-2025 电动汽车非车载传导式充电机与电池管理系统之间的通信协议一致性测试》和《GBT 34657.2《电动汽车传导充电互操作性测试规范 第2部分:车辆》-立项草案》开发了对应的测试用例包。其中GBT 34658-2025测试用例包包含版本协商测试、传输层测试、阶段确认报文测试、终止报文测试、接触器状态报文测试、唤醒报文测试等;GBT 34657.2测试用例包包含用于 GB/T 18487.5 附录 A 的互操作性测试及符合附录 B 的互操作性测试。

图10-2015+测试用例包
七、结语
从充电桩的仿真,到整车的能量传输及流动,整个过程中,仿真与测试占据着重要的地位。它让不可见的通信流程变得透明,让复杂的场景变得可复现、可验证。北汇信息提供的新能源汽车测试解决方案,涵盖了从前期的零部件开发验证,到后期的整车仿真与测试。能够帮助您更早地发现问题,解决问题。每一步扎实的验证,都是对下一环节的负责。
随着新能源汽车的普及和充电标准的更新,新能源汽车和充电桩的充电能力和兼容性得也在不断提升。2015年发布的国标直流充电协议-GB/T 27930-2015《电动汽车非车载传导式充电机与电池管理系统之间的通信协议》,如今已升级为GBT 27930.2-2024 《非车载传导式充电机与电动汽车之间的数字通信协议 第2部分 用于GBT20234.3的通信协议》,简称2015+充电协议。北汇信息根据2015+充电协议,基于CANoe开发了一套充电桩仿真测试工程,主要用于新能源汽车充电相关测试。本文将向大家介绍此工程的功能及操作指导。