巴中市网站建设_网站建设公司_过渡效果_seo优化
2025/12/30 18:28:52 网站建设 项目流程

《计算机组成原理试题》TYUT真题涵盖的知识点进行了系统性的分类整理、考频分析,并针对不同题型总结了相应的解题技巧与模板。

一、 知识点分类与考频分析

以下是对五套试题中反复出现的核心知识点进行的归纳和考频评估(★越多表示出现频率越高)。

知识模块 核心知识点 考频 常见题型
1. 数据表示与运算 定点数:原码、反码、补码、移码的表示与转换;定点数的范围计算。 ★★★★★ 选择题、计算题
浮点数:IEEE754格式(阶符、阶码、数符、尾数);规格化;表示范围计算。 ★★★★ 填空题、计算题、简答题
运算方法:补码加减法;原码/补码一位乘除法;溢出判断。 ★★★★ 计算题、选择题
字符编码:BCD码、ASCII码。 ★★ 选择题、填空题
2. 指令系统 指令格式:操作码、地址码;定长/变长操作码编码;指令字长。 ★★★★ 选择题、简答题、设计题
寻址方式:立即寻址、直接寻址、间接寻址、寄存器寻址、变址寻址、基址寻址、相对寻址等的特点与有效地址计算。 ★★★★★ 选择题、填空题、应用题
指令类型:数据传送、算术逻辑、程序控制等指令的分类。 ★★ 简答题
3. 中央处理器(CPU) CPU组成:ALU、寄存器组(PC, IR, MAR, MDR, ACC等)、控制器的功能。 ★★★★ 选择题、问答题、设计题
指令周期:取指、间址、执行、中断周期的微操作流程与时序安排。 ★★★★ 问答题、设计题
控制方式:微程序控制(微指令、微程序、控存);硬布线控制。 ★★★ 选择题、简答题
4. 存储器系统 存储器分类与性能:SRAM vs DRAM;ROM, PROM, EPROM, Flash;存储容量、速度、带宽计算。 ★★★★ 选择题、填空题、简答题
主存扩展:位扩展、字扩展、字位同时扩展;芯片地址线、数据线数量计算;片选逻辑设计。 ★★★★★ 选择题、设计题、应用题
Cache:地址映射(直接、全相联、组相联);Cache命中率。 ★★★ 选择题、名词解释、简答题
5. 输入输出系统 I/O方式:程序查询、中断、DMA、通道方式的特点与比较。 ★★★★★ 选择题、简答题、应用题
中断系统:中断响应过程;中断屏蔽字;单重/多重中断;中断向量。 ★★★★ 选择题、填空题、应用题、流程图
DMA:DMA控制器组成;DMA传送过程(预处理、数据传送、后处理)。 ★★★ 问答题、简答题、流程图
总线:总线结构(单总线、三总线);总线仲裁(链式查询、计数器查询、独立请求);总线通信(同步/异步)。 ★★★★ 选择题、填空题、简答题
6. 流水线与新技术 流水线:流水线周期;吞吐率、加速比计算;相关(数据相关、控制相关)。 ★★ 填空题、计算题
多核与并行:多处理器基本概念。 选择题

考频总结数据表示与运算指令系统(尤其是寻址方式)存储器系统(尤其是主存扩展)输入输出系统(尤其是中断与DMA) 是最高频的考点,几乎每套题都会涉及。

二、 不同题型解题技巧与模板

1. 选择题 & 填空题

这类题目主要考察对基本概念的准确理解和记忆。

解题技巧:

  • 抓关键词:注意题干中的限定词,如“唯一”、“主要”、“首先”等。
  • 排除法:对于不确定的选项,先排除明显错误的。
  • 数值计算:对于计算类选择题(如寻址范围、存储容量),注意单位(B, KB, MB)和编址方式(按字/按字节)。
  • 概念辨析:重点区分易混淆概念,如:
    • 指令周期 vs 机器周期 vs 时钟周期
    • 程序查询 vs 中断 vs DMA
    • SRAM vs DRAM
    • 各种寻址方式的有效地址来源

2. 计算题 & 应用题

这类题目要求将理论知识应用于具体计算和设计。

解题技巧与模板:

A. 数制与编码转换

  • 模板:严格按照转换规则进行。小数部分转换时,注意精确到指定位数。
  • 技巧:二进制与八进制、十六进制之间的转换可以快速进行。

B. 定点/浮点数表示与运算

  • 模板(补码加减法)
    1. 将操作数转换为补码。
    2. 连同符号位一起按二进制运算。
    3. 符号位产生的进位自然丢弃。
    4. 结果即为补码形式,再转换为真值。
  • 技巧:注意溢出判断(双符号位法:结果符号位为“01”为正溢,“10”为负溢)。

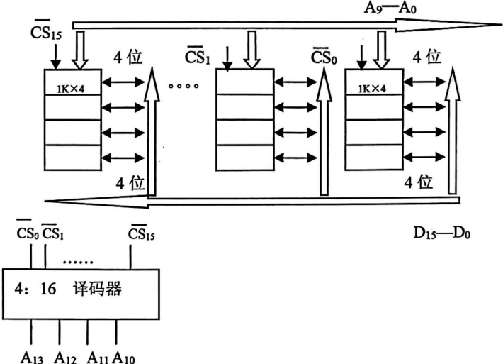
C. 主存容量扩展与芯片连接

  • 解题模板(经典题型)
    1. 确定系统需求:总容量 = [字数] × [字长]
    2. 选择芯片:芯片容量 = [芯片字数] × [芯片字长]
    3. 计算芯片数量
      • 所需芯片总数 = (总容量) / (芯片容量)
      • 或:字数扩展倍数 × 字长扩展倍数
    4. 地址分配与片选逻辑
      • CPU地址线总数由总容量决定。
      • 芯片内地址线数由芯片字数决定(log2(芯片字数))。
      • 剩余高位地址线通过译码器(如74LS138)产生片选信号。
  • 技巧:画图是解决此类问题最直观有效的方法。先画出CPU与芯片的连接草图。

eeede714f6eca0402838d7b8fb7cb358-image

D. 指令格式设计

  • 解题模板
    1. 分析指令类型与寻址方式需求
    2. 分配指令字长(通常为机器字长)。
    3. 分配操作码字段:采用扩展操作码技术,对地址码要求少的指令分配短操作码,要求多的分配长操作码。
    4. 分配地址码字段:根据寻址方式确定每个地址码字段的位数(如寄存器编号需log2(寄存器个数)位)。
  • 技巧:用表格形式列出不同指令类型的格式,清晰明了。

3. 简答题 & 问答题

这类题目考察对原理、过程和异同点的阐述能力。

答题模板与技巧:

A. 概念解释题(如名词解释)

  • 模板[术语]是指……(核心定义)。它具有……特点/功能,主要用于……场合。
  • 示例DMA方式是指直接在I/O设备与主存储器之间建立数据通路,无需CPU介入的数据传送方式。其主要特点是高速、成批传送数据,适用于磁盘、光盘等高速外设。

B. 比较异同题(如“比较A和B”)

  • 模板:采用表格形式或分点叙述。
    1. 相同点:……
    2. 不同点:
      • 原理/定义不同:A……,B……。
      • 实现方式不同:A……,B……。
      • 性能/特点不同:A……,B……。
      • 应用场景不同:A……,B……。

C. 过程描述题(如“简述中断过程”、“DMA工作流程”)

  • 模板:按照时间顺序,分步骤描述。强烈建议结合流程图
  • 技巧:使用“首先”、“然后”、“接着”、“最后”等连接词,使描述条理清晰。

4. 设计题 & 综合题

这是最复杂的题型,常综合考察CPU微操作、存储器扩展、总线等知识。

解题技巧:

  • 分而治之:将复杂问题分解为几个熟悉的子问题(如先解决存储器扩展,再解决CPU连接)。
  • 图表辅助:无论是微操作时序图、存储器连接图还是总线传输图,画图都是必不可少的步骤,能帮助理清思路。
  • 规范标注:在图中清晰标注所有信号线、组件名称和数据流向。

三、 通用备考策略与模板总结

  1. 构建知识框架:首先将计算机组成原理的五大部件(控制器、运算器、存储器、输入设备、输出设备)及其相互关系作为知识骨架,再将具体知识点填充进去。
  2. 重视计算与设计:本课程有大量计算和设计内容,不能只停留在理解层面,必须动手计算和画图。
  3. 掌握核心算法:熟练掌握补码运算、浮点数表示、主存扩展、指令格式设计、微操作序列编排等核心问题的解决流程。
  4. 善用图表:无论是学习还是答题,图表(如流程图、连接图、时序图)都是极佳的工具。
  5. 真题导向:通过分析历年真题(如您提供的文档)来把握重点和难点,针对性地复习。

需要专业的网站建设服务?

联系我们获取免费的网站建设咨询和方案报价,让我们帮助您实现业务目标

立即咨询